Διαχωρίστε τη γραμμή του μπουλονιού
Εισαγωγή
Η στρόφιγγα γραμμής διαχωρισμού μπουλονιού είναι ένας σύνδεσμος υψηλής αντοχής, ανθεκτικός στη διάβρωση από κράμα χαλκού, ιδιαίτερα κατάλληλος για ηλεκτρικές συνδέσεις απευθείας θαμμένες σε χώμα ή σκυρόδεμα. Αυτός ο σύνδεσμος ευνοείται για τον συμπαγή σχεδιασμό του, τα σπειρώματα που περιστρέφονται ελεύθερα και το επίπεδο κλειδιού που συγκρατείται εύκολα. Ακολουθούν αναλυτικά τα χαρακτηριστικά και οι προδιαγραφές του προϊόντος.
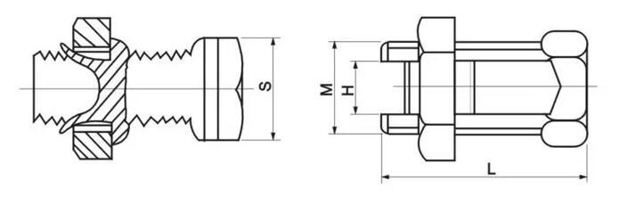
Προδιαγραφές

|
Τύπος |
L |
M |
H |
S |
|
T/J-16 |
26 |
12 |
5 |
12 |
|
T/J-25-35 |
36 |
17.47 |
9 |
18 |
|
T/J-35-50 |
35 |
17.47 |
8.2 |
18 |
|
T/J-50-70 |
42 |
22 |
12 |
22 |
|
T/J-90-120 |
45 |
23.81 |
14 |
26 |
|
T/J-150-180 |
56 |
29 |
17 |
30 |
|
T/J-200-240 |
56 |
20 |
31 |
32 |
Προϊόν λεπτομέρεια
| Υλικό | ορείχαλκος/ ορείχαλκος επικαλυμμένος με κασσίτερο |
| Πρωτότυπο | Zhejiang, Κίνα |
| Προθεσμία πληρωμής | TT, LC |
| Αγορά | Φιλιππίνες/Αμερική/Βόρεια Αμερική/Αφρική |
| Πρότυπο | UL467 |
| Πακέτο | Χαρτοκιβώτια+παλέτα ή σύμφωνα με την απαίτηση |
| Διανομή | Θαλασσίως/αεροπορικώς express |
| Παραγωγικότητα | 50000 τμχ το μήνα |
Χαρακτηριστικά

- Υλικό και αντοχή: Η στρόφιγγα γραμμής διαχωρισμού μπουλονιών είναι κατασκευασμένη από υλικό υψηλής κράματος χαλκού με υψηλή αντοχή και υψηλή αντοχή στη διάβρωση.
- Σχεδιασμός νήματος: Σχεδιασμός ελεύθερα περιστρεφόμενου νήματος για εύκολη εγκατάσταση και αφαίρεση.
- Αεροπλάνο κλειδιού: Εύκολο στο κράτημα αεροπλάνο κλειδιού, εύκολο να σφίξετε με εργαλεία.
- Αντοχή σε ρωγμές: Εξαιρετικά ανθεκτικό σε ρωγμές και διάβρωση, κατάλληλο για σκληρά περιβάλλοντα.
- Τύποι αγωγών: Διατίθεται μια ποικιλία τύπων αγωγών, συμπεριλαμβανομένων των στερεών χαλκοσυγκόλλησης, του εμπορικού χαλκού και του χαλκού με έλικα.
FAQ
Ε: 1) Πού είναι η θύρα φόρτωσης;
Α: Κανονικά στέλνουμε τα αγαθά από το λιμάνι Wenzhou / Ningbo / Σαγκάη.
Ε: 2) Γιατί να επιλέξετε το VIC;
Α: Είμαστε επαγγελματίας κατασκευαστής υλικού γραμμής πόλου. Και
έχουμε τη δυνατότητα να σχεδιάζουμε και να παράγουμε σύμφωνα με τις απαιτήσεις του πελάτη.
Ε: 3) Πώς μπορείτε να ελέγξετε την ποιότητά σας;
Α: Για κάθε επεξεργασία παραγωγής, έχουμε πλήρες σύστημα QC για την πρώτη ύλη στα τελικά προϊόντα. Πριν από την αποστολή, όλα τα αγαθά θα δοκιμαστούν και το τμήμα QC θα κάνει έκθεση δοκιμής.
Ε: 4) Ποια είναι η ελάχιστη ποσότητα παραγγελίας σας, μπορείτε να μου στείλετε δείγματα;
Α: Η ελάχιστη ποσότητα μας είναι ένα χαρτοκιβώτιο. Μπορούμε να παρέχουμε δείγματα δωρεάν και το εξπρές κόστος πρέπει να πληρωθεί από την πλευρά σας.
Ε: 5) Τι λέτε για τους όρους πληρωμής;
Α: Κανονικά δεχόμαστε την πληρωμή 30% εκ των προτέρων και πληρώνουμε το υπόλοιπο πριν από την αποστολή.


